
产品特点
· 配 BELL 系列电动执行器,调节精度高,具有故障报警功能。
· 可以增加带本机显示及遥控和总线控制等功能,
· 具有抗腐蚀,耐高温,耐磨损等特性。
· 有很好的机械性能,并且密封性能好,可达到零泄漏。
执行器主要参数
· 输入、输出信号:4—20mA DC;
· 输入通道电阻: 250欧姆;
· 基本误差: ±1%;
· 死 区: 0.5%--3%(可根据系统要求调整);
· 电源电压: 三相380V 50Hz 单相220V 50Hz(可订制其他电源);
· 工作环境温度: 整体式-10℃~+55℃,分立式-25℃~+70℃ ;
· 工作环境湿度: ≤85%,周围空气不含有腐蚀性质;
· 防护等级 : IP65,总线型、智能型IP67;
· 通信接口 : 总线型符合国际标准协议PROFIBUS-DP。

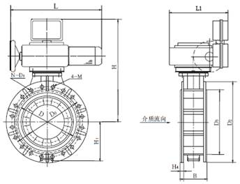
|
DN mm |
电动 执行器
|
输出扭矩Nm |
L |
L1 |
H |
B |
D |
H1 |
PN1.0MPa |
|||||
|
H4 |
D0 |
D3 |
D2 |
N-D1 |
4-M |
|||||||||
|
100 |
BELL-25 |
250 |
493 |
300 |
685 |
127 |
120 |
105 |
22 |
180 |
156 |
220 |
4-Φ18 |
4-M16 |
|
125 |
700 |
140 |
142 |
110 |
22 |
210 |
184 |
250 |
4-Φ18 |
4-M16 |
||||
|
150 |
BELL-60 |
600 |
605 |
360 |
720 |
140 |
166 |
135 |
24 |
240 |
211 |
285 |
4-φ22 |
4-M20 |
|
200 |
BELL-160 |
1600 |
612 |
372 |
864 |
152 |
216 |
160 |
24 |
295 |
266 |
340 |
4-φ22 |
4-M20 |
|
250 |
904 |
165 |
260 |
270 |
26 |
350 |
319 |
395 |
4-φ22 |
4-M20 |
||||
|
300 |
BELL-250 |
2500 |
612 |
491 |
944 |
178 |
315 |
285 |
26 |
400 |
370 |
445 |
4-φ22 |
4-M20 |







